Namai > Produktai > Įrankiai ir kitos tvirtinimo detalės > Vamzdžių juosta > Tipo kirminų varomas žarnos lankas
      Tipo kirminų varomas žarnos lankas
      • Tipo kirminų varomas žarnos lankasTipo kirminų varomas žarnos lankas
      • Tipo kirminų varomas žarnos lankasTipo kirminų varomas žarnos lankas
      • Tipo kirminų varomas žarnos lankasTipo kirminų varomas žarnos lankas
      • Tipo kirminų varomas žarnos lankasTipo kirminų varomas žarnos lankas
      • Tipo kirminų varomas žarnos lankasTipo kirminų varomas žarnos lankas

      Tipo kirminų varomas žarnos lankas

      „A tipo kirminų“ varoma žarna yra specializuotas spaustuko įtaisas, skirtas apsaugoti žarnas ant jungiamųjų detalių.xiaoguo® specializuojasi mechaninių dalių, susijusių su statybų ir automobilių pramonėmis, gamyboje.
      Modelis:QC/T 620-1999

      Siųsti užklausą

      Prekės aprašymas

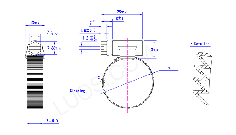
      „A tipo slieko“ varoma žarnos lankas yra tvirtas, reguliuojamas įrankis, skirtas žarnoms pritvirtinti. Jis pagamintas prie žarnų tvirtai laikyti ant jungčių, purkštukų ar fiksuotų lizdų. Viduje yra slieko pavara, kurią pasukate atsuktuvu ar šešiakampiu raktu. Kai jį priveržėte, jis tolygiai spaudžiasi aplink žarną, kad būtų užtikrintas saugus pritaikymas.

      Šis spaustukas yra naudingas pramoninėje aplinkoje, nes jis sustabdo nutekėjimą net tada, kai yra aukštas slėgis ar drebėjimas. Jei jums reikia patikimo ryšio judant skysčiams, ypač tais atvejais, kai svarbiausia sauga, tai geriau nei pagrindiniai žarnos spaustukai. Jis pastatytas kietas, todėl ilgai trunka nesulaužydamas.

      “A


      Pranašumas:

      Didžiausias „A tipo kirmino“ varomos žarnos lanko pliusas yra tai, kiek mechaninio pranašumo jis turi ir kiek saugus jis laiko daiktus. „Worm Gear“ dizainas leidžia jį pataisyti tikrai smulkiai, ir jis tolygiai išstumia toną jėgos aplink žarną. Tai reiškia, kad žarna neišleis ir neiššoks, net kai yra didžiuliai slėgio smaigaliai arba srautas pulsuoja kaip pašėlęs.

      Skirtingai nuo tų spaustukų, kurie priklauso nuo trinties, jei sugriežtinsite šį slieko varomąją dešinę, jis padaro antspaudą, kuris lieka dedamas ir nepalieka laisvas. Tai labai svarbu saugiai, kaip viskas vyksta, ir tai sumažina tuos brangius išjungimus, kai jungtys nepavyksta svarbiose sistemose. Iš esmės jis tiesiog veikia geriau ir ilgiau trunka sunkiose situacijose.

      Pirmadienis Φ50
      Φ60
      Φ70
      Φ80
      Φ90
      Φ100
      Φ110
      Φ120
      Φ130
      Φ140 Φ150
      Φ160
      „Clamping Range Max“ 50 60 70 80 90 100 110 120 130 140 150 160
      Užpildymo diapazonas Min 32 40 50 60 70 80 90 100 110 120 130 140
      H Maks 1.5 1.5
      1.5
      1.5
      1.5
      1.5
      1.5
      1.5
      1.5
      1.5
      1.5
      1.5
      H min 0.5 0.5
      0.5
      0.5
      0.5
      0.5
      0.5
      0.5
      0.5
      0.5
      0.5
      0.5

      Medžiagos:

      Mūsų standartinis tipo sliekų varomas žarnos lankas dažniausiai yra pagamintas iš tvirto nerūdijančio plieno (pvz., SS304 arba SS316) arba karšto karštligės cinkuoto plieno. Nerūdijančio plieno spaustukai geriau laikosi rūdžių ir cheminių medžiagų tokiose sunkiose vietose kaip jūrų darbai ar cheminis perdirbimas. Jie trunka ilgai ir laikosi sandarių sandarių, net ir šiurkščiomis sąlygomis.

      Hot Tags: Tipo kirminų varomas žarnos lankas, Kinija, gamintojas, tiekėjas, gamykla
      Susijusi kategorija
      Siųsti užklausą
      Nedvejodami pateikite savo užklausą žemiau esančioje formoje. Mes jums atsakysime per 24 valandas.
      X
      We use cookies to offer you a better browsing experience, analyze site traffic and personalize content. By using this site, you agree to our use of cookies. Privacy Policy
      Reject Accept