Namai > Produktai > Varžtas > Šešiakampio galvutės flanšo varžtas > 8.8 klasės didelio stiprumo izoliuoti jungčių varžtai
        8.8 klasės didelio stiprumo izoliuoti jungčių varžtai
        • 8.8 klasės didelio stiprumo izoliuoti jungčių varžtai8.8 klasės didelio stiprumo izoliuoti jungčių varžtai
        • 8.8 klasės didelio stiprumo izoliuoti jungčių varžtai8.8 klasės didelio stiprumo izoliuoti jungčių varžtai
        • 8.8 klasės didelio stiprumo izoliuoti jungčių varžtai8.8 klasės didelio stiprumo izoliuoti jungčių varžtai

        8.8 klasės didelio stiprumo izoliuoti jungčių varžtai

        Ieškote 8.8 klasės didelio stiprumo izoliuotų jungčių varžtų? Atvykite į „Xiaoguo®“ Kinijoje ir patikrinkite įperkamus varžtus. Mūsų varžtai gaminami griežtai laikantis TB/T 2347-1993 standarto. Tada jums nereikės jaudintis dėl gaminio kokybės.
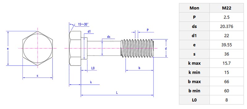
        Modelis:TB/T 2347-1993

        Siųsti užklausą

        Prekės aprašymas

        Vadovas8.8 klasės didelio stiprumo izoliuoti jungčių varžtaivis dar yra šešiakampis. Sraigtinės dalies kietumas yra 8,8. Jie turi izoliacines savybes pagrindinėse dalyse ir gali atskirti elektros energiją ar kitas galimas trukdančias medžiagas.

        Class 8.8 high strength insulated joint bolts

        Produkto detalės ir parametrai

        Energetikos pramonėje izoliuoti jungčių varžtai naudojami įrenginių montavimui pastotėse. Jungtys tarp įvairių elektros įrenginių turi būti tvirtos, kad neatsipalaiduotų dėl vibracijos ir kitų priežasčių, kurios gali turėti įtakos įrangos veikimui. Tuo pačiu metu izoliacija turi būti gerai atlikta, kad būtų išvengta saugos problemų, tokių kaip elektros nuotėkis. Jie gali tai išspręsti.8.8 klasės didelio stiprumo izoliuoti jungčių varžtaigali užtikrinti stabilų ir saugų elektros energijos sistemos veikimą.

        Montuojant elektros valdymo spintas, naudojami didelio stiprumo izoliuoti jungties varžtai, skirti įvairiems elektros komponentams viduje sujungti. Ant spintelės korpuso tvirtinami skirtingi komponentai, o tai ne tik užtikrina jungties tvirtumą, neleidžia komponentams pasislinkti dėl vibracijos ir kitų sąlygų, bet ir išvengia elektros trumpųjų jungimų tarp komponentų, užtikrinant normalų ir saugų elektros valdymo spintos darbą.


        Class 8.8 high strength insulated joint bolts

        Produkto pardavimo taškas

        Didžiausias pardavimo taškas8.8 klasės didelio stiprumo izoliuoti jungčių varžtaiyra „dvigubas draudimas“. Viena vertus, didelis 8.8 klasės stiprumas leidžia atlaikyti dideles jėgas. Nesvarbu, ar tai tempimo, ar gniuždymo jėga, jie gali tvirtai sujungti komponentus ir nėra linkę atsilaisvinti. Kita vertus, jis pasižymi puikiomis izoliacinėmis savybėmis ir gali veiksmingai užkirsti kelią srovės laidumui ar kitų terpių trukdžiams. Jie dažnai naudojami elektros įrenginiuose.

        Hot Tags: 8.8 klasės didelio stiprumo izoliuoti jungčių varžtai, Kinija, gamintojas, tiekėjas, gamykla
        Susijusi kategorija
        Siųsti užklausą
        Nedvejodami pateikite savo užklausą žemiau esančioje formoje. Mes jums atsakysime per 24 valandas.
        X
        Naudojame slapukus siekdami pasiūlyti geresnę naršymo patirtį, analizuoti svetainės srautą ir suasmeninti turinį. Naudodamiesi šia svetaine sutinkate su mūsų slapukų naudojimu. Privatumo politika
        Atmesti Priimti