Namai > Produktai > Kniedojimo dalys > Plastikinė kniedė > Išsiplečiantis kniedės segtukas
        Išsiplečiantis kniedės segtukas
        • Išsiplečiantis kniedės segtukasIšsiplečiantis kniedės segtukas
        • Išsiplečiantis kniedės segtukasIšsiplečiantis kniedės segtukas
        • Išsiplečiantis kniedės segtukasIšsiplečiantis kniedės segtukas
        • Išsiplečiantis kniedės segtukasIšsiplečiantis kniedės segtukas
        • Išsiplečiantis kniedės segtukasIšsiplečiantis kniedės segtukas

        Išsiplečiantis kniedės segtukas

        Išsiplečiantis kniedės segtukas yra plastikinis tvirtinimo elementas, kuris montuojamas įkišus lanksčiąsias šakeles per skylę ir tada atskiriant Xiaoguo® yra gamintojas, turintis daugiau nei dešimties metų profesinę patirtį tvirtinimo detalių pramonėje. Galime pristatyti laiku, nepriklausomai nuo užsakymo dydžio.
        Modelis:QC/T 350-1999

        Siųsti užklausą

        Prekės aprašymas

        Labiausiai paplitusios medžiagos patikimiems besiplečiantiems kniedžių segtams yra stiklu sustiprintas nailonas 6/6 ir acetalio kopolimeras (POM). Nailonas 6/6 yra stipresnis ir geriau atlaiko šilumą. POM gerai išlaiko formą, mažai trinasi ir atlaiko pakartotinį naudojimą, nenusidėvėdamas.

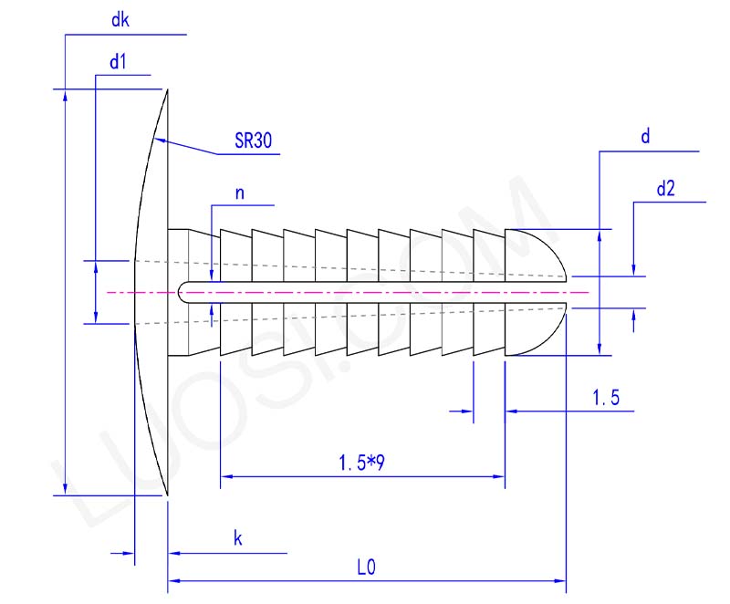
        expanding rivet clip parameter

        Pirm
        Φ6 Φ8
        Φ10
        d maks
        6 8 10
        d min
        5.8 7.8 9.8
        dk maks
        16.2 16.2 18.2
        dk min
        15.8 15.8 17.8
        k maks
        1.6 1.6 2.1
        k min
        1.4 1.4 1.9
        L0
        20 20 22
        d1
        3 4 5
        d2
        1.5 2 3
        n
        1 1 1.5

        Šie inžineriniai plastikai užtikrina, kad skelto kaiščio korpusas gerai veiktų esant mechaniniams įtempiams ir sunkioms sąlygoms. Skirtingai nuo pigesnių plastikų, jie lengvai nesuyra.

        Priežiūra

        Prižiūrėti besiplečiančius kniedžių spaustukus paprasta. Pagaminti iš korozijai atsparaus plastiko, jie nerūdys, todėl nereikia naudoti antikorozinių priemonių ar alyvų. Prieš naudodami patikrinkite, ar jie nepažeisti, pvz., įtrūkimų, deformacijų, trapumų ar išbalusių dėl ilgalaikio saulės spindulių poveikio. Lengvas pakeitimas; nereikia specialių įrankių. Tiesiog ištraukite seną spaustuką už kojelių ir pakeiskite jį nauju. Lengva naudoti. Reguliariai tikrinkite kniedės spaustuko būklę ir nedelsdami ją pakeiskite.

        Ar esate atsparus UV degradacijai ilgai naudojant lauke?

        Mūsų standartiniai besiplečiantys kniedžių spaustukai turi UV blokatorius, įmontuotus juos gaminant. Net jei ilgą laiką bus veikiami saulės spindulių, jie neišdžius, netaps trapūs ir lengvai įtrūks.

        Apsauga nuo UV spindulių leidžia jiems atlikti savo darbą, išlikti tvirtiems, lankstiems ir tvirtai laikytis net esant grubiam lauko reikalui. Pagalvokite apie traktorius, ekskavatorius, saulės baterijas, ūkio įrangą ir t. t. Palyginti su įprastu plastiku be jo, jie tarnauja ilgiau ir jums nereikia dėl jų nerimauti.


        Hot Tags: Išplečiamas kniedės apkaba, Kinija, gamintojas, tiekėjas, gamykla
        Susijusi kategorija
        Siųsti užklausą
        Nedvejodami pateikite savo užklausą žemiau esančioje formoje. Mes jums atsakysime per 24 valandas.
        X
        Naudojame slapukus siekdami pasiūlyti geresnę naršymo patirtį, analizuoti svetainės srautą ir suasmeninti turinį. Naudodamiesi šia svetaine sutinkate su mūsų slapukų naudojimu. Privatumo politika
        Atmesti Priimti