Namai > Produktai > Varžtas > Šešiakampio galvutės flanšo varžtas > Šešiakampiai varžtai su flanšu
        Šešiakampiai varžtai su flanšu
        • Šešiakampiai varžtai su flanšuŠešiakampiai varžtai su flanšu
        • Šešiakampiai varžtai su flanšuŠešiakampiai varžtai su flanšu
        • Šešiakampiai varžtai su flanšuŠešiakampiai varžtai su flanšu

        Šešiakampiai varžtai su flanšu

        Xiaoguo® gaminamais šešiakampiais varžtais su flanšu pasitiki klientai visame pasaulyje. Viso gamybos proceso metu buvo vykdoma griežta kontrolė. Jei norite pasiteirauti dėl kainų, susisiekite su mumis.
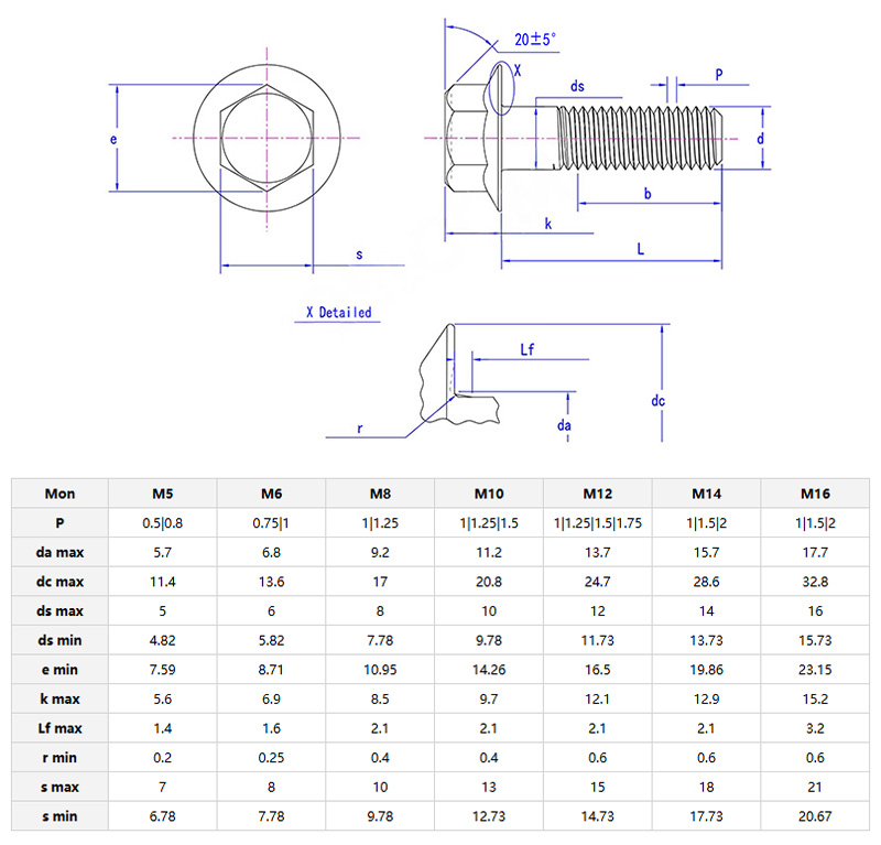
        Modelis:ISO 15071-1999

        Siųsti užklausą

        Prekės aprašymas

        Pagalšešiakampiai varžtai su flanšu, yra flanšas kaip diskas. Tai leidžia varžtams atlikti ypatingą vaidmenį jungiant daiktus. Tokio tipo varžtai gali būti naudojami daugelyje vietų, kur sujungimo reikalavimai yra gana aukšti.

        Hexagon Bolts With Flange

        Programos ir parametrai

        Šešiakampiai varžtai su flanšugali apsaugoti nuo lietaus ir rūdžių. Paviršiaus apdorojimas karštuoju cinkavimu leidžia juos naudoti tvoroms, stoginėms ar terasų karkasams. Flanšinės plokštės gali užkirsti kelią varžtams įstrigti medyje ar ploname metale ir nereikalauja poliravimo. Jie tinka kiemo pastatams.

        Naudojamas dulkėtose dirbtuvėse ir fermose. Dantytas flanšas gali tvirtai išlaikyti surūdijusią jungtį, o šešiakampė galvutė nenukris net esant dideliam sukimo momentui. Jie gali būti naudojami traktoriuose, grūdų silosuose ir didelės apkrovos lentynose.


        Sustorinta flanšo plokštės konstrukcija yra integruota tiesšešiakampis varžtas su flanšu, derinant šešiakampės galvutės vairavimo charakteristikas su ašine apkrovos sklaidos funkcija. Kaip pavyzdį paimkite pramoninius variklius. Eksploatacijos metu atsirandančios vibracijos gali lengvai sukelti tradicinių tvirtinimo detalių susidėvėjimą arba išankstinės apkrovos susilpnėjimą. Šešiakampio galvutės flanšo varžtas gali veiksmingai slopinti vibracijos energijos perdavimą į jungties sąsają, nes slopina flanšo plokštę ir optimizuoja slėgio pasiskirstymą kontaktiniame paviršiuje.

        Hexagon Bolts With Flange

        Produkto pardavimo taškas

        Didžiausias pardavimo taškasšešiakampiai varžtai su flanšuyra tai, kad jungtis yra stabili ir gali veiksmingai išsklaidyti slėgį. Jie padidina kontakto plotą su prijungtais objektais. Priveržus jėga gali būti tolygiai paskirstyta, todėl sujungimas tampa saugesnis ir sumažėja medžiagos pažeidimai. Jis turi stipresnį gebėjimą atsispirti vibracijai.


        Hot Tags: Šešiakampiai varžtai su flanšu, Kinija, gamintojas, tiekėjas, gamykla
        Susijusi kategorija
        Siųsti užklausą
        Nedvejodami pateikite savo užklausą žemiau esančioje formoje. Mes jums atsakysime per 24 valandas.
        X
        Naudojame slapukus siekdami pasiūlyti geresnę naršymo patirtį, analizuoti svetainės srautą ir suasmeninti turinį. Naudodamiesi šia svetaine sutinkate su mūsų slapukų naudojimu. Privatumo politika
        Atmesti Priimti