NTE nailono įdėklo užrakto veržlėyra savarankiškai užsegamas tvirtinimas su nailono apykakle vidiniuose sriegiuose. Kai jis prisukamas ant varžto, nailonas užfiksuoja sriegius, o veržlė greičiausiai nesunkiai atsipalaiduos, kai yra vibracija ar judėjimas.

The NTE nailono įdėklo užrakto veržlėyra pagamintas iš medžiagų, tokių kaip cinko padengtas plienas ar nerūdijantis plienas, jis skirtas mašinoms, transporto priemonėms ar įrangai, kur yra svarbus patikimumas. Skirtingai nuo įprastų riešutų,NTE nailono įdėklo užrakto veržlėNereikia papildomų užraktų poveržlių ar klijų - tai užfiksuoja. Tai paprasta įdiegti, daugkartinio naudojimo (neviršijant ribų) ir veikia tiek pramoninių sąrankų, tiek kasdienio remonto darbuose.
NaudokiteNTE nailono įdėklo užrakto veržlėNorėdami pritvirtinti dalis, kurios purto ar juda. Pavyzdžiai: Motociklo kojinių pritvirtinimas, konvejerio diržų voleliai laikykite vietoje arba surinkdami biuro kėdes su reguliuojamomis dalimis. Tai taip pat yra patogu tokioms lauko įrangai kaip sodo priekaboms ar dviračių lentynoms, kur iškilimai ir orai galėtų atlaisvinti standartines veržles. Namų dirbtuvėse tai puikiai tinka pritvirtinti banguojančias stalus ar pritvirtinti elektrinių įrankių komponentus, kurie vibruoja naudojimo metu.
PamatysiteNTE nailono įdėklo užrakto veržlėAutomobilių gamyboje (variklio laikikliai, pakabos dalys), ŠVOK sistemas (ventiliatoriaus peiliukų ar ortakių apsaugos) ir vartojimo prekes, tokias kaip skalbimo mašinos ar mankštos dviračiai. Tai taip pat būdinga žemės ūkio mašinoms, dviračiams ir elektronikos komplektavimui - bet kokie vibracijos ar dažni pakeitimai gali atlaisvinti įprastus riešutus.

| Rinka |
Bendros pajamos (%) |
| Šiaurės Amerika |
14 |
| Pietų Amerika |
10 |
| Rytų Europa |
16 |
| Pietryčių Azija |
10 |
| Vidurio Rytai |
7 |
| Rytų Azija |
17 |
| Vakarų Europa |
12 |
| Pietų Azija |
6 |
| Vidaus rinka |
8 |
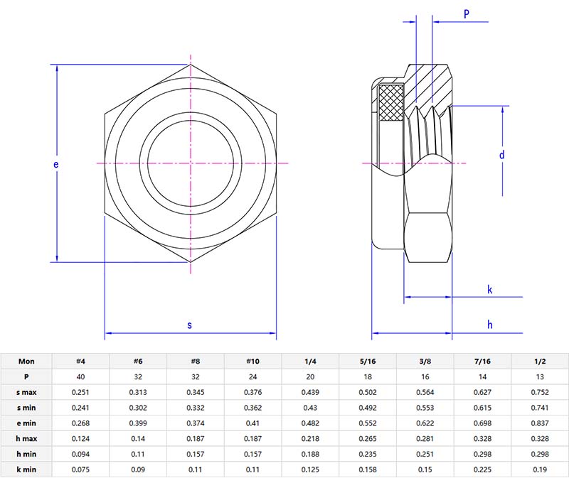
„Xiaoguo®“ gali tinkintiNTE nailono įdėkite užrakto veržlestavovaržtai. ŠešiakampėriešutasTinka standartiniam veržliarakčiui, o viduje esanti nailonas yra atsparus dėvėjimams. Mes galime pateikti pavyzdžių, ir jūs galite patikrinti, ar nemokami mėginiai patenkina jūsų poreikius prieš pateikdami didelę užsakymą.