Įrengę įdėklai
      • Įrengę įdėklaiĮrengę įdėklai
      • Įrengę įdėklaiĮrengę įdėklai
      • Įrengę įdėklaiĮrengę įdėklai
      • Įrengę įdėklaiĮrengę įdėklai

      Įrengę įdėklai

      Įrengę įdėklai yra tiksliai suformuota, savaime užsiblokuojanti ritė, skirta pateikti patvarius vidinius sriegius. „Xiaoguo® Factory“ anti-counterfeit etiketės apsaugos klientai nuo neatitinkančių standartų.
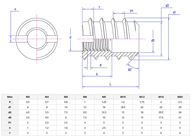
      Modelis:DIN 7965-1965

      Siųsti užklausą

      Prekės aprašymas

      Įrengę įdėklaiyra spiralinė ritė, pagaminta iš deimanto formos vielos. Jis skirtas sukurti stiprius vidinius siūlus minkštesnėse medžiagose arba kai pažeisti originalūs siūlai. Jūs įdėjote ją į iš anksto užpildytą skylę, ir tai suteikia kietą, ilgalaikį sriegio paviršių, dėl kurio agregatas trunka ilgiau. Įrengtas įdėklas veikia kaip nuolatinė rankovė - jis tolygiai išskleidžia slėgį ir sustabdo siūlus nusirengti ar pažeisti. Tai yra praktinis sprendimas saugiai pritvirtinti sunkiose situacijose, kai pagrindinė medžiaga nėra pakankamai stipri.

      Screwed inserts

      Informacija apie produktą ir parametrai

      Pagrindinis prisukamo įdėklo pranašumas yra tai, kad jie gali sutvarkyti ir sustiprinti pašalintus ar silpnus sriegius, o tai taupo nuo to, kad reikia pakeisti dalis, kurios kainuoja daug. Jie padidina ištraukimo ir stiprumo jėgą, o ne tik pačią bazinę medžiagą. Įdėti į prisuktą įdėklą nėra per sunku - galite tai padaryti naudodami įprastus įrankius. Be to, jie gerai laikosi vibracijos, sustabdo skirtingus metalus, kad korozija vienas kitą, ir įsitikinkite, kad siūlai išlieka nuoseklūs ir gali būti vėl naudojami. Tai daroĮrengę įdėklaiProtingas pasirinkimas, jei norite kažko patikimo, per daug neišleisdami.

      Screwed inserts

      DUK

      Kl.: Kaip tai iš tikrųjų sukuria stipresnį siūlą, palyginti su tiesiog bazinės medžiagos bakstelėjimu?

      A: aĮrengę įdėklaiĮeina į iš anksto išgręžtą ir bakstelėjusią skylę, kuri yra šiek tiek didesnė nei įprasta. Ritė pagaminta iš deimanto formos vielos, kuri suteikia jai daug daugiau paviršiaus ploto, kad būtų galima laikyti krovinį, ir tolygiai išskleidžia įtempį išilgai sriegių. Tai padeda užkirsti kelią minkštesnei bazinei medžiagai nusirengti, pažeisti ar nusidėvėti, kai yra vibracija ar sunki. Rezultatas yra stiprus, ilgalaikis sriegio jungtis, kuri yra geriau nei reguliarūs bakstelėjami siūlai, ypač minkštuose metaluose ar plastikuose.


      Hot Tags: Įrengę įdėklai, Kinija, gamintojas, tiekėjas, gamyklos
      Susijusi kategorija
      Siųsti užklausą
      Nedvejodami pateikite savo užklausą žemiau esančioje formoje. Mes jums atsakysime per 24 valandas.
      X
      We use cookies to offer you a better browsing experience, analyze site traffic and personalize content. By using this site, you agree to our use of cookies. Privacy Policy
      Reject Accept