Namai > Produktai > Varžtas > Inkaro varžtas > Kvadratinės galvos kvadratinio kaklo inkaro varžtai
        Kvadratinės galvos kvadratinio kaklo inkaro varžtai
        • Kvadratinės galvos kvadratinio kaklo inkaro varžtaiKvadratinės galvos kvadratinio kaklo inkaro varžtai
        • Kvadratinės galvos kvadratinio kaklo inkaro varžtaiKvadratinės galvos kvadratinio kaklo inkaro varžtai
        • Kvadratinės galvos kvadratinio kaklo inkaro varžtaiKvadratinės galvos kvadratinio kaklo inkaro varžtai

        Kvadratinės galvos kvadratinio kaklo inkaro varžtai

        Kvadratinės galvos kvadratinės kaklo inkaro varžtai turi kvadratinę galvutę su kvadratine kaklu, prijungtu prie galvos apačioje, ir srieginė konstrukcija kitame gale. „Xiaoguo®“ gamyklos varžtai yra tinkami mažiems „pasidaryk pats“ projektams ir didelio masto konstrukcijai, todėl juos galima naudoti gerai su betonine ir kitomis kietomis medžiagomis.
        Modelis:BS 7419-1991

        Siųsti užklausą

        Prekės aprašymas

        Kvadratinės galvos kvadratinio kaklo inkaro varžtų galva yra kvadratiniai, taip pat ir kaklas. „Square Head“ dizainas suteikia didelę veržliarakčio kontaktinę zoną, užtikrinančią stabilesnį jėgos pritaikymą. Tai ypač praktiška scenarijuose, kuriems reikia stipraus sukimo momento ir anti-slydimo priemonių.

        Produkto parametrai

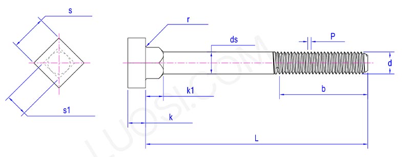
        square head square neck anchor bolts parameter

        Pirmadienis
        M16
        M20
        M24
        M30
        M36
        M42
        M48
        M56
        M64
        P
        2 2.5 3 3.5 4 4.5 5 5.5 6
        B Maks
        122 127.5 133 140.5 148 155.5 163 172.5 182
        B min
        116 120 124 130 136 142 148 156 164
        dS Maks
        16.7 20.84 24.84 30.84 37 43 49 57.2 65.2
        DS min
        15.3 19.16 23.16 29.16 35 41 47 54.8 62.8
        K min
        9.25 11.6 14.1 17.65 21.45 24.95 28.95 33.75 38.75
        K Maks
        10.75 13.4 15.9 19.75 23.55 27.05 31.05 36.25 41.25
        R min
        0.6 0.8 0.8 1 1 1.2 1.6 2 2
        S Maks
        24 30 36 46 55 65 75 85 95
        S min
        23.16 29.16 35 45 53.8 63.1 73.1 82.8 92.8
        K1 min
        7.25 9.25 11.1 14.1 17.1 19.95 22.95 26.95 30.75
        K1 Maks
        8.75 10.75 12.9 15.9 18.9 22.05 25.05 29.05 33.25
        S1 Maks
        16.7 20.84 24.84 30.84 37 43 49 57.2 65.2
        S1 min
        15.3 19.16 23.16 29.16 35 41 47 54.8 62.8

        Produkto savybės

        Kvadratinės galvos kvadratinės kaklo inkaro varžtai nurodo tvirtus varžtus, įterptus prieš betoną, sukietėję. Po betono sukietėjimo kvadratinis kaklas užrakinsvaržtaiVietoje, kad jie nesisuktų, kai riešutai vėliau susitvarkys. Tai yra pamatai, tiesiogiai pritvirtinti sunkius daiktus, tokius kaip kolonos, mašinos ar konstrukcinis plienas, prie betoninio pagrindo.

        Inkaro varžtai yra tvirtai sumontuoti. Kai priveržsite veržlę, kvadratinis kaklas bus sandariai užspaustas į sumontuotą medžiagą, pavyzdžiui, betoną ar medieną, kad varžtas nesisuktų kartu su veržle. Tokiu būdu fiksuotas objektas gali išlikti tvirtai vietoje ir lengvai nesitrūksta ir nesikeis.

        Šio metrinio inkaro varžto įrengimas atliekamas betono liejimo proceso metu. Norėdami juos išdėstyti, galite naudoti šablonus ar armatūras, įsitikindami, kad srieginiai galai nukreipiami į viršų. Svarbiausias žingsnis yra įterpti kvadratinio kaklo dalį į šlapią betoną. Kai betonas sukietėja aplink kvadratinį kaklą, jis tvirtai sugriebs kvadratinį kaklą. Po to jums tereikia uždėti daiktą ant varžto ir priveržkite veržlę iki atidengto sriegio.

        Kvadratinės galvos kvadratinės kaklo inkaro varžtai yra atsparūs šokui. Kadangi varžtai yra fiziškai užfiksuoti į betoną sukietėjusią medžiagą, supančią kvadratinį kaklą, jie mažiau linkę atsipalaiduoti dėl vibracijos ar judėjimo. Tai leidžia jiems patikimai pritvirtinti vibruojančias mašinas ar konstrukcijas, kurioms taikomos dinaminės apkrovos, tokios kaip vėjas ar eismas.


        Hot Tags: Kvadratinės galvos kvadratinio kaklo inkaro varžtai, Kinija, gamintojas, tiekėjas, gamyklos
        Susijusi kategorija
        Siųsti užklausą
        Nedvejodami pateikite savo užklausą žemiau esančioje formoje. Mes jums atsakysime per 24 valandas.
        X
        Naudojame slapukus siekdami pasiūlyti geresnę naršymo patirtį, analizuoti svetainės srautą ir suasmeninti turinį. Naudodamiesi šia svetaine sutinkate su mūsų slapukų naudojimu. Privatumo politika
        Atmesti Priimti