Namai > Produktai > Varžtas > T-varžtas > T galvos inkaro varžtai
        T galvos inkaro varžtai
        • T galvos inkaro varžtaiT galvos inkaro varžtai
        • T galvos inkaro varžtaiT galvos inkaro varžtai
        • T galvos inkaro varžtaiT galvos inkaro varžtai

        T galvos inkaro varžtai

        Bet kuriuo metu galite patikrinti aukštos kokybės „T Head“ inkaro varžtus, pagamintus „Xiaoguo®“ kompanijos. T formos galvutė leidžia lengvai įdiegti į tvirtinimo griovelį. Mes galime pasiūlyti jums įvairių dydžių, iš kurių galite rinktis. Visada bus varžtas, kuris jums tinka.
        Modelis:CNS 4947-1979

        Siųsti užklausą

        Prekės aprašymas

        „T Head“ inkaro varžtai yra tvirtinimo elementai, naudojami tvirtinimo fiksavimui, T formos galvutė leidžia lengvai įdiegti į tvirtinimo griovelį.Xiaoguo®Gali pasiūlyti įvairių dydžių, iš kurių galite rinktis. Visada bus varžtas, kuris jums tinka.

        „T Head“ inkaro varžto galva yra T formos forma, kurią patogu pritvirtinti atitinkamame T formos griovelyje, kad jis nesisuktų išilgai. Sraigto uodega yra specialiai sukurta taip, kad būtų tvirtai pritvirtinta prie pagrindo kaip inkaras.

        Diegimas ir programa:

        Šie inkaro varžtai gali būti naudojami pakeltų durų takeliams pritvirtinti. Jie sumontuoti greičiau nei varžtai. Stumkite juos į padidėjusius plieno griovelius be jokių tvirtinimo įrankių. Įdiegus sandėlį, jis gali būti priveržtas viena ranka ir subalansuoti kopėčiomis. Jie naudojami sutvarkyti sunkius takelius.

        „T Head“ inkaro varžtai gali būti naudojami kaip ŠVOK vamzdžių atramos. Pakabinus vamzdžius ant betono, juos galite sutaupyti kelias valandas. Įdėkite jį į „Unistrut“ ir bakstelėkite į lubas su smūgio atsuktuvu. Nereikia kreipiamų skylių. Vienas darbuotojas gali užpildyti dviejų pleišto formos inkarų įrengimą.

        Šie varžtai naudojami kasybos konvejerio rėmui pritvirtinti. Jie naudojami požeminių tvirtų rėmų varžtų fiksavimui ir gali atsispirti dulkėms. Įmuškite T formos galvą į išlenktą kanalą; Siūlai gali sugriebti korozijos plieną. Personalas keičia komponentus pamainomis kas 15 minučių.

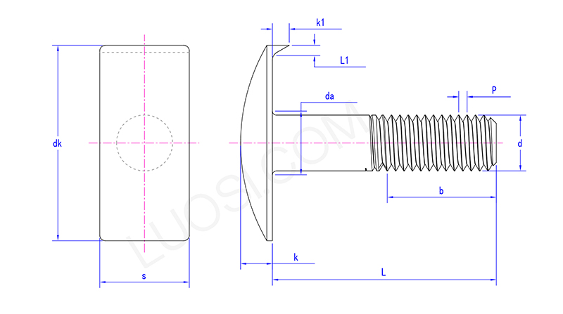
        Parametrai:

        Pirmadienis M12
        P 1.75
        k 7
        K1 5
        L1 3
        Taip Maks 15.2
        DK 55
        s 20

        Produkto pardavimo taškas:

        „T Head“ inkaro varžtai yra ypač stabilūs fiksuojant ir patogiai montuoti. Jis turi dvi pagrindines savybes: T formos galvutės ir tvirtinimo funkcija. Įdiegus jį galima tiesiogiai įterpti į „T-Lot“, nereikalaujant pakartotinės padėties reguliavimo. Inkaravimo konstrukcija ją tvirtesnė ir griežtesnė ir neleidžia jai atsipalaiduoti. Ir nereikia jokių sudėtingų profesionalių priemonių. Be to, jis turi platų programų spektrą ir gali būti naudojamas daugelyje pramonės šakų ir scenarijų.



        Hot Tags: „T Head“ inkaro varžtai, Kinija, gamintojas, tiekėjas, gamykla
        Susijusi kategorija
        Siųsti užklausą
        Nedvejodami pateikite savo užklausą žemiau esančioje formoje. Mes jums atsakysime per 24 valandas.
        X
        Naudojame slapukus siekdami pasiūlyti geresnę naršymo patirtį, analizuoti svetainės srautą ir suasmeninti turinį. Naudodamiesi šia svetaine sutinkate su mūsų slapukų naudojimu. Privatumo politika
        Atmesti Priimti