Namai > Produktai > Kaištis > Apvalus kaištis > CNC apdirbti Clevis kaiščiai
        CNC apdirbti Clevis kaiščiai
        • CNC apdirbti Clevis kaiščiaiCNC apdirbti Clevis kaiščiai
        • CNC apdirbti Clevis kaiščiaiCNC apdirbti Clevis kaiščiai

        CNC apdirbti Clevis kaiščiai

        2. CNC apdirbti „Clevis“ kaiščiai yra ašies kaiščiai su apvaliomis galvutėmis, pritvirtinti kaiščių skylėmis ir kaiščiais arba fiksavimo veržlėmis. Jie dažniausiai naudojami mechaniniams komponentams, pvz., jungtims ir valdymo svirtims, sujungti. „Xiaoguo“ CNC apdirbti „Clevis“ kaiščiai yra apdirbti CNC, kad būtų užtikrintas didelis tikslumas ir stiprumas, todėl galite drąsiai pirkti.

        Siųsti užklausą

        Prekės aprašymas

        Turime įvairių įprastų dydžių CNC apdirbtų smeigtukų, kurių skersmuo yra nuo maždaug M3 iki M24, o ilgis – nuo ​​10 mm iki 200 mm, todėl jie tiks daugumai standartinių skylių. Svarbios dalys, tokios kaip galvos dydis ir koto ilgis, yra pagamintos taip, kad atitiktų įprastas specifikacijas.

        CNC Machined Clevis Pins

        Skirtingiems darbams turime skirtingus pažymius. Yra įprasta kasdienio naudojimo klasė ir tikslesnė, kai reikia tvirtesnio prigludimo, pavyzdžiui, automobiliuose ar lėktuvuose. Visi jie sukurti pagal bendras taisykles, pvz., ISO 2341, todėl kiekvieną kartą gaunate tą patį. Tai tik reiškia, kad mūsų CNC apdirbti smeigtukai yra skirti dirbti su standartiniais laikikliais ir daugumos įrangos dalimis.

        Produkto kokybės kontrolė

        Atliekame standartinius šių CNC apdirbtų gnybtų kaiščių kokybės patikrinimus, kad įsitikintume, jog jie veikia tinkamai. Kiekvienas iš jų matuojamas pagal tokius dalykus kaip skersmuo, ilgis ir skylės vieta, kad įsitikintumėte, jog dydžiai yra teisingi. Taip pat išbandome pačią medžiagą, kad patikrintume, ar ji tinkamo tipo ir ar ji pakankamai tvirta ir kieta.

        Peržiūrime paviršių, ar nėra įbrėžimų, šiurkščių kraštų ar kitų žymių, dėl kurių gali kilti problemų. Viskas atliekama pagal įprastas pramonės taisykles, pvz., ISO 2341. Mes saugome kiekvienos partijos bandymų įrašus, kad galėtume juos stebėti vėliau.

        Atlikus šiuos patikrinimus, CNC apdirbti smeigtukai tinka įprastiems darbams arba sudėtingesniems darbams ten, kur jie turi išsilaikyti.

        Klausimų ir atsakymų sesija

        Kl .: Kokius standartus atitinka jūsų CNC apdirbti Clevis Pins?

        A: Mūsų standartiniai CNC apdirbti gnybtų kaiščiai yra pagaminti taip, kad atitiktų tokias specifikacijas kaip ISO 2341 arba ANSI B18.8.1. Tai užtikrina vienodus kaiščio skersmens, galvutės ir skylės matmenis, užtikrinant patikimą tvirtinimą ir galimybę sukeisti jūsų mazgus.

        CNC Machined Clevis Pins


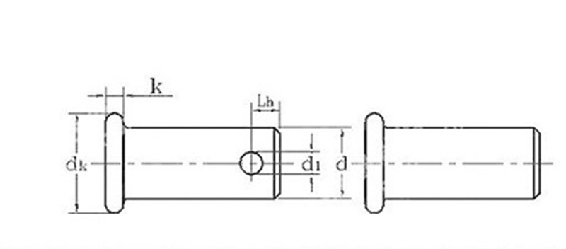
        vienetas: mm
        d maks 3 4 5 6 8 10 12 14 16 18 20
        min 2.94 3.925 4.925 5.925 7.91 9.91 11.89 13.89 15.89 17.89 19.87
        dk maks 5 6 8 10 12 14 16 18 20 22 25
        min 4.7 5.7 7.64 9.64 11.57 13.57 15.57 17.57 19.48 21.48 24.48
        k nominalusL 1.5 2 2.5 3 3.5 4
        maks 1.625 2.125 2.625 3.125 3.65 4.15
        min 1.375 1.875 2.375 2.875 3.35 3.85
        d1 min 1.6 2 3.2 4 5 5
        maks 1.74 2.14 3.38 4.18 5.18 5.18
        Lh min 1.6 2.2 2.9 3.2 3.5 4.5 5.5 6 6 7 8



        Hot Tags: CNC apdirbti Clevis Pins, Kinija, gamintojas, tiekėjas, gamykla
        Susijusi kategorija
        Siųsti užklausą
        Nedvejodami pateikite savo užklausą žemiau esančioje formoje. Mes jums atsakysime per 24 valandas.
        X
        Naudojame slapukus siekdami pasiūlyti geresnę naršymo patirtį, analizuoti svetainės srautą ir suasmeninti turinį. Naudodamiesi šia svetaine sutinkate su mūsų slapukų naudojimu. Privatumo politika
        Atmesti Priimti