Namai > Produktai > Kaištis > Apvalus kaištis > Didelio tempimo smeigtukai
        Didelio tempimo smeigtukai
        • Didelio tempimo smeigtukaiDidelio tempimo smeigtukai
        • Didelio tempimo smeigtukaiDidelio tempimo smeigtukai

        Didelio tempimo smeigtukai

        Šį didelio tempimo segtuką galima išardyti ir vėl sumontuoti kelis kartus, todėl jį bus naudinga naudoti pakartotinai. Galite drąsiai užsisakyti didelio tempimo smeigtukus iš Xiaoguo ir gausite puikią patirtį su garantuota kokybe.

        Siųsti užklausą

        Prekės aprašymas

        Jei reikia, galime pateikti šių didelio tempimo smeigtukų patikrinimo sertifikatą. Sertifikate pateikiami pagrindiniai bandymų rezultatai: iš ko pagaminta medžiaga, jos mechaninės savybės, tokios kaip stiprumas ir kietumas, ir patvirtinama, kad visi kritiniai matmenys yra teisingi. Taip pat nurodoma, kokius standartus, pvz., ISO 2341, gaminys atitinka.

        Kiekvienas sertifikatas skirtas konkrečiai gamybos partijai ir turi unikalų numerį, kad būtų galima jį atsekti. Tai įrašas, rodantis, kad kaiščiai išlaikė standartinius patikrinimus nuo medžiagos iki galutinio gaminio. Galimybė gauti sertifikatą su didelio tempimo segtiniais smeigtukais yra galimybė, kuri naudinga atliekant darbus, kuriems reikia formalių dokumentų, nesvarbu, ar tai būtų naudojama kasdieniam pramoniniam naudojimui, ar sudėtingesnėms reikmėms.

        High Tensile Clevis Pins

        Produkto panaudojimas

        Šio tipo kaiščiai dažniausiai naudojami jungiant komponentus mašinose, kurias reikia pasukti arba pasukti. Įvairioje pramoninėje įrangoje jis dažnai naudojamas kronšteinams, strypams ar svirtims sujungti automobiliuose ir sunkvežimiuose jis naudojamas pakabos komponentams, stabdžių jungtims, vairo įtaisams ir kt.

        Ją taip pat naudoja žemės ūkio įranga, pvz., traktorių plūgai ir kombainai. Aviacijos erdvėje jis gali būti naudojamas tam tikroms judančioms orlaivių sistemų dalims. Jis taip pat randamas valtyse, takeluose ir kai kuriose variklio dalyse, nes gerai užsifiksuoja.

        Iš esmės didelio tempimo smeigtukai yra patogūs visur, kur reikia tvirtos jungties, kurią vėliau gali tekti išardyti ir kuri gali atlaikyti drebėjimą ir reguliarų naudojimą.

        Klausimų ir atsakymų sesija

        Kl .: kokia yra standartinė jūsų didelio stiprumo skeltų kaiščių pakuotė?

        Atsakymas: Mes paprastai naudojame tvirtas kartonines dėžes didelio stiprumo skeltiesiems kaiščiams supakuoti, o pakavimo būdas paprastai skirstomas pagal dydį ir kiekį (pavyzdžiui, 100 vienetų dėžutėje).

        Didelės apimties užsakymams didelio stiprumo skeltus kaiščius supakuosime į pagrindinę dėžutę ir paduosime ant padėklo, kad būtų užtikrintas saugus transportavimas ir patogus tvarkymas.

        High Tensile Clevis Pins


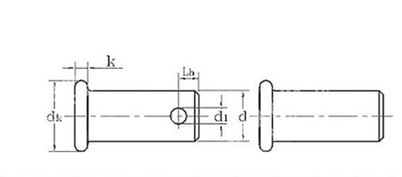
        vienetas: mm
        d maks 3 4 5 6 8 10 12 14 16 18 20
        min 2.94 3.925 4.925 5.925 7.91 9.91 11.89 13.89 15.89 17.89 19.87
        dk maks 5 6 8 10 12 14 16 18 20 22 25
        min 4.7 5.7 7.64 9.64 11.57 13.57 15.57 17.57 19.48 21.48 24.48
        k nominalusL 1.5 2 2.5 3 3.5 4
        maks 1.625 2.125 2.625 3.125 3.65 4.15
        min 1.375 1.875 2.375 2.875 3.35 3.85
        d1 min 1.6 2 3.2 4 5 5
        maks 1.74 2.14 3.38 4.18 5.18 5.18
        Lh min 1.6 2.2 2.9 3.2 3.5 4.5 5.5 6 6 7 8




        Hot Tags: Didelio tempimo smeigtukai, Kinija, gamintojas, tiekėjas, gamykla
        Susijusi kategorija
        Siųsti užklausą
        Nedvejodami pateikite savo užklausą žemiau esančioje formoje. Mes jums atsakysime per 24 valandas.
        X
        Naudojame slapukus siekdami pasiūlyti geresnę naršymo patirtį, analizuoti svetainės srautą ir suasmeninti turinį. Naudodamiesi šia svetaine sutinkate su mūsų slapukų naudojimu. Privatumo politika
        Atmesti Priimti