Namai > Produktai > Riešutas > Rankiniu būdu prisukite veržlę > Aparatūros įrankiai Valcavimo veržlė
        Aparatūros įrankiai Valcavimo veržlė
        • Aparatūros įrankiai Valcavimo veržlėAparatūros įrankiai Valcavimo veržlė
        • Aparatūros įrankiai Valcavimo veržlėAparatūros įrankiai Valcavimo veržlė

        Aparatūros įrankiai Valcavimo veržlė

        Užtikrinti sistemos atitiktį ir saugumą. XIAO GUO Hardware Tools Rolling Nut CE sertifikuotas produktas atitinka griežtus standartus. Mūsų veržlės yra sukurtos patikimai ir ilgalaikiam darbui sudėtingoje pramoninėje aplinkoje.

        Siųsti užklausą

        Prekės aprašymas

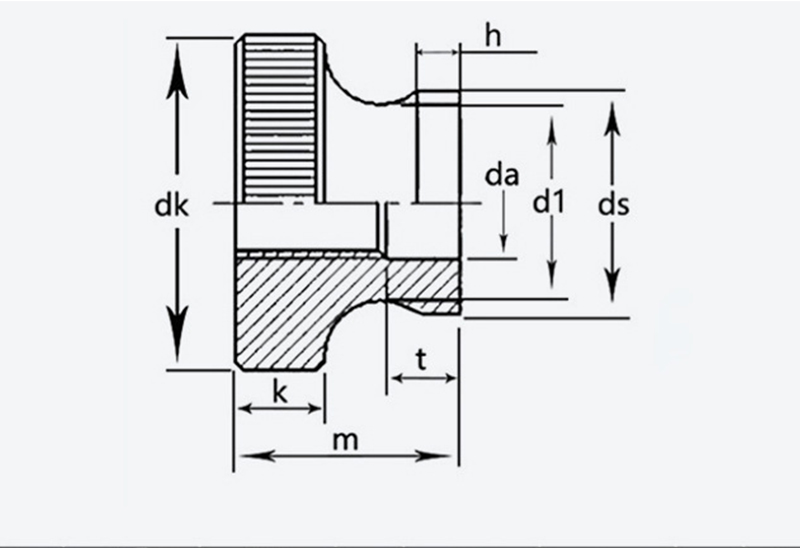
        Aparatūros įrankių riedėjimo veržlės techniniams įrankiams specifikacijos daugiausia apima vidinio sriegio dydį ir išorinį skersmenį. Sriegių dydžiai svyruoja nuo M2 iki M8, kurie yra dažniausiai naudojami plonų lakštų surinkimui. Išorinis skersmuo atitinka šiuos sriegius – mažesni sriegiai derinami su mažesniu skersmeniu, todėl jie tinkamai tinka iš anksto išgręžtoms skylėms. Jūs tiesiog pasirenkate pagal varžto dydį, kurį naudosite su juo.

        Žymės yra paprastos: standartinė ir didelio stiprumo klasė. Standartinė klasė tinka įprastoms užduotims, pvz., baldų laikikliams ar elektronikos korpusams. Didelio stiprumo klasė yra pagaminta iš storesnės medžiagos, tinka mašinoms ar dalims, kurioms reikia išlaikyti didesnę jėgą neslystant.

        Kiekvienas riešutas turi savo specifikaciją ir klasę, pažymėtą pakuotės etiketėje, todėl lengva išsirinkti tinkamą. Jokio sudėtingo kodavimo, tik pagrindiniai skaičiai ir žodžiai. Hardware Tools Rolling Nut specifikacijos ir rūšys atitinka dažniausiai pasitaikančius lakštinio metalo apdirbimo poreikius, jokių papildomų išgalvotų galimybių.

        Hardware Tools Rolling Nut

        Produkto kokybės kontrolė

        Pradedame nuo žaliavų patikros. Kiekviena metalo partija tikrinama, ar nėra įtrūkimų, įlenkimų ar silpnų vietų. Į gamybą patenka tik kvalifikuotos medžiagos – tai pirmas žingsnis siekiant išlaikyti kokybę.

        Gamybos metu reguliariai atliekame patikrinimus vietoje. Pirmiausia žiūrime į siūlų tikslumą; jie turi sklandžiai pritvirtinti varžtus be įtemptų ar laisvų vietų. Taip pat dažnai matuojame išorinį skersmenį ir storį, kad įsitikintume, jog jie atitinka standartines specifikacijas. Paviršiaus apdorojimas taip pat patikrinamas, užtikrinant, kad nebūtų plonos dengimo ar praleistų vietų, kurios gali sukelti rūdžių.

        Prieš išsiunčiant, atsitiktiniai kiekvienos partijos pavyzdžiai atliekami montavimo bandymai. Įspaudžiame juos į skardą ir išbandome, ar tvirtai laikosi neslysdami. Taip pat tikriname, ar nėra paviršiaus įbrėžimų ar deformacijų. Hardware Tools Rolling Nut atlieka šiuos paprastus, bet griežtus veiksmus, kad įsitikintų, jog jis gerai veikia atliekant kasdienius surinkimo darbus.

        Klausimų ir atsakymų sesija

        K: Ar jis lengvai rūdys drėgnose pakrantės vietose?

        A: Tai priklauso nuo paviršiaus apdorojimo. Cinkuoti gali rūdyti po 1-2 metų esant didelei drėgmei. Pajūrio zonoms geriau tinka karštai cinkuoti arba nerūdijančio plieno gaminiai – jie gali atsispirti druskos rūkui ir drėgmei 5-8 metus. Jei jūsų gaminiai naudojami lauke, siūlome rinktis nerūdijančio plieno veržlę. Taip pat galime pateikti atsparumo korozijai bandymų ataskaitas.  

        Hardware Tools Rolling Nut


        dydis Pikis Išorinis skersmuo Aukštis k ds da d1 T h
        maks min maks min maks min maks min maks
        M3 0.5  11  10.7  6.64  2.8  5.7  3.5  3.2  5.2  1.2 
        M4 0.7  12  11.7  7.64  7.64  4.5  4.2  6.4  2.5  1.5 
        M5 0.8  16  15.7  10  96.6  10  9.64  5.5  5.5 
        M6 20  19.7  12  11.6  12  11.6  6.56  6.2  11  2.5 
        M8 1.25  24  23.7  16  15.6  16  15.6  8.86  8.5  13 
        M10 1.5 30 29.7 20 19.5 8 20 19.5 10.9 10.5 17.2 6.5 3.8
        Hot Tags: Techninės įrangos įrankių valcavimo veržlė, Kinija, gamintojas, tiekėjas, gamykla
        Susijusi kategorija
        Siųsti užklausą
        Nedvejodami pateikite savo užklausą žemiau esančioje formoje. Mes jums atsakysime per 24 valandas.
        X
        Naudojame slapukus siekdami pasiūlyti geresnę naršymo patirtį, analizuoti svetainės srautą ir suasmeninti turinį. Naudodamiesi šia svetaine sutinkate su mūsų slapukų naudojimu. Privatumo politika
        Atmesti Priimti