Didelio stiprumo veido projekcijos suvirinimo varžtas yra ypatinga tvirtinimo elementas, pagamintas stipriai ir lengvai sujungti su metaliniais lakštais ar konstrukcijomis. Jame yra prognozės - paprastai žiedai ar nedaug iškilimų - ta pusė, kuri liečia metalą, ir jos yra pagamintos pagal tikslų dydį.
Kai jį suvirini, daugelyje elektros srovės daugiausia dėmesio skiriama šioms projekcijoms. Dėl to metalas tampa tikrai karštas, ištirpsta, o tada, kai jis atvės, jis sudaro stiprią suvirinimą. Šis suvirinimas laiko didelio stiprumo veido projekcijos suvirinimo varžtą prie gabalo, kuriame dirbate.
Didelio stiprumo veido projekcijos suvirinimo Bolto darbas yra sukurti nuolatinį, sriegį pagrįstą tvirtinimo tašką, kuris galėtų išlaikyti svorį. Jums reikia specialios projekcijos suvirinimo įrangos, kad ją suvirintumėte.
Elektrodai paspauskite žemyn ir nusiųskite daug elektros energijos per varžto projekcijas ir metalinį gabalą, su kuriuo dirbate. Tai, kaip suvirinimo varžtas yra pagamintas, reiškia tik projekcijas tirpstant - daugiau. Kai jie atvės, jie sudaro stiprų metalinį ryšį, o aplink jį esantis metalas nėra sulenktas ar daug nesukeltas.
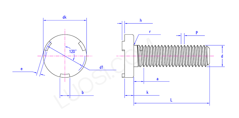
| Pirmadienis | M5 | M6 | M8 | M10 |
| P | 0.8 | 1 | 1.25 | 5 |
| DK MAX | 12.4 | 14.4 | 16.4 | 20.4 |
| DK Min | 11.6 | 13.6 | 15.6 | 19.6 |
| K Maks | 2 | 2.2 | 3.2 | 4.2 |
| K min | 1.6 | 1.8 | 3.2 | 4.2 |
| Ir Maks | 2.25 | 2.75 | 2.25 | 2.75 |
| E min | 1.75 | 2.25 | 1.75 | 2.25 |
| B Maks | 3.3 | 4.3 | 5.3 | 6.3 |
| B min | 2.7 | 3.7 | 4.7 | 5.7 |
| H Maks | 0.8 | 0.9 | 1.1 | 1.3 |
| H min | 0.6 | 0.75 | 0.9 | 1.1 |
| D1 Maks | 10 | 11.5 | 14 | 17.5 |
| D1 min | 9 | 10.5 | 13 | 16.5 |
| R min | 0.2 | 0.25 | 0.4 | 0.4 |
| r maks | 0.6 | 0.7 | 0.9 | 1.2 |
| Maks | 3.2 | 4 | 5 | 5 |

Didelio stiprumo veido projekcijos suvirinimo varžtas turi mažai pakeltų dalių - paprastai žiedų ar mažų įdubimų - iš tos pusės, kuri suvirinama. Kai jį suvirini, daug elektros daugiausia dėmesio skiria toms pakeltoms dalims. Jie iškart ištirpsta prie netaurio metalo, o elektrodas paspaudžia žemyn.
Tai daro stiprius, sandarius suvirinimus, kurie gerai sulaiko varžtą. Jie puikiai tinka lakštinio metalo darbams.