Namai > Produktai > Riešutas > Apvalus riešutas > Apvali veržlė su išpjova
        Apvali veržlė su išpjova
        • Apvali veržlė su išpjovaApvali veržlė su išpjova
        • Apvali veržlė su išpjovaApvali veržlė su išpjova

        Apvali veržlė su išpjova

        Xiaoguo® apvali veržlė, pagaminta Kinijoje su įpjova, atitinka nacionalinius standartus GB812, Vokietijos standartą DIN 981 ir tarptautinį standartą ISO 7718. Todėl gaminio dydis ir sriegio tikslumas yra griežtai reglamentuojami ir atsekami. Apvali veržlė su grioveliu Nemokamas pavyzdys Šį pavyzdį pateiksime pradiniame bendradarbiavimo etape.

        Siųsti užklausą

        Prekės aprašymas

        Tinkinimo procesas

        Įprastas nestandartinės apvalios veržlės su grioveliu pritaikymo procesas yra:

        (1) Paklausos komunikacija: aiškiai apibrėžkite reikalavimus gaminio funkcijoms, matmenims, medžiagoms ir kt.

        (2) Brėžinio patvirtinimas: pateikite 2D / 3D brėžinius ir susisiekite su inžinieriais, kad patvirtintumėte matmenis ir leistinus nuokrypius.

        (3) Pavyzdžių gamyba: forma gaminama pavyzdžiams gaminti, o jiems atlikus bandymus ir patikrinimą, klientams bus pateiktos nuotraukos ir vaizdo įrašai.

        (4) Masinė gamyba: kai klientas patvirtina, kad pavyzdys yra kvalifikuotas, prasideda masinės gamybos etapas.

        (5) Kokybės tikrinimas pristatymo metu: prieš išsiunčiant atliekami griežti patikrinimai, o kartu su prekėmis pateikiamos kokybės ataskaitos.

        Round Nut with Slot

        Pritaikomi pagrindiniai aspektai

        Nestandartinė apvalios veržlės su grioveliu pritaikymo paslauga yra labai brandi. Beveik visus pagrindinius parametrus galima lanksčiai reguliuoti pagal jūsų faktinį naudojimą.

        (1) Matmenys ir specifikacijos:

        Viso dydžio reguliavimas: išorinį skersmenį, vidinį skersmenį ir storį (aukštį) galima pritaikyti.

        Specializuotas pritaikymas: galima pateikti pritaikytas veržlių versijas, tokias kaip pailgos, laiptuotos, aklinos skylės ir kt.

        (2) Sriegio parametrai:

        Įvairūs sriegių standartai: be dažniausiai naudojamų metrinių smulkių sriegių, jis taip pat palaiko metrinius stambius siūlus, amerikietiškus standartinius ir britų standartinius siūlus ir kt.

        Specialus sriegio tipas: siūlus galima pritaikyti pagal reikalavimus.


        (3) Medžiagos pasirinkimas:

        Metalo medžiagos: anglinis plienas, legiruotasis plienas, nerūdijantis plienas, žalvaris, aliuminio lydinys, titano lydinys ir kt.

        Nemetalinės medžiagos: kai kurioms specialioms reikmėms gali būti naudojamas nailonas ir PEEK.

        (4) Mechaninės savybės:

        Tvirtumo laipsnis: Apvalios veržlės su grioveliu pritaikomos parinktys, tokios kaip 4,8, 8,8, 10,9 ir 12,9, sukurtos taip, kad atitiktų įvairius veikimo reikalavimus.

        Mechaniniai indikatoriai: gali būti pritaikyti pagal faktinius reikalavimus.

        (5) Paviršiaus apdorojimas:

        Įskaitant tokius procesus kaip cinkavimas, juodinimas, daktrono dengimas ir nikeliavimas.

        (6) Lizdų tipo dizainas:

        Pagal reikalavimus apsaugai nuo atsipalaidavimo ar montavimo galima suprojektuoti įvairaus skaičiaus, pločio, gylio ar specialios formos plyšius.

        (7) Nestandartiniai standartai: palaikykite įvairių standartinių sistemų, tokių kaip nacionaliniai standartai (GB), Vokietijos standartai (DIN), Amerikos standartai (ANSI) ir Japonijos standartai (JIS), nestandartinių versijų konvertavimą.

        Round Nut with Slot

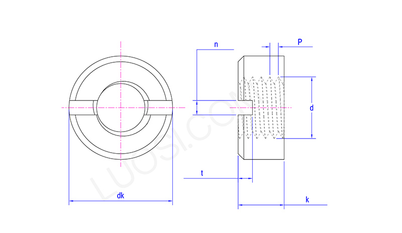
        Pirm M3.5 M4 M5 M6 M8 M10 M12 M14 M16 M18 M20
        P 0.6 0.7 0.8 1 1.25 1.5 1.75 2 2 2.5 2.5
        dk maks 7 8 9 11 14 18 21 24 26 29 32
        dk min 6.64 7.64 8.64 10.57 13.57 17.57 20.48 23.48 25.48 28.48 31.38
        k maks 3 3.5 4.2 5 6.5 8 10 11 12 13 14
        k min 2.75 3.2 3.9 4.7 6.14 7.64 9.64 10.57 11.57 12.57 13.57
        n min 1.46 1.46 2.06 2.56 3.06 3.57 4.07 4.07 4.07 4.07 5.07
        n maks 1.71 1.71 2.31 2.81 3.31 3.87 4.37 4.37 4.37 4.37 5.37
        t min 1 1.2 15 2 2.5 3.2 3.8 3.8 3.8 4.8 4.8
        t maks 1.40 1.60 1.90 2.4 3 3.7 4.3 4.3 4.3 5.5 5.5
        Hot Tags: Apvali veržlė su išpjova, Kinija, gamintojas, tiekėjas, gamykla
        Susijusi kategorija
        Siųsti užklausą
        Nedvejodami pateikite savo užklausą žemiau esančioje formoje. Mes jums atsakysime per 24 valandas.
        X
        Naudojame slapukus siekdami pasiūlyti geresnę naršymo patirtį, analizuoti svetainės srautą ir suasmeninti turinį. Naudodamiesi šia svetaine sutinkate su mūsų slapukų naudojimu. Privatumo politika
        Atmesti Priimti