Namai > Produktai > Suvirinimo riešutai > Suvirinta veržlė > T stiliaus suvirinimo veržlės su 1A tipu
        T stiliaus suvirinimo veržlės su 1A tipu
        • T stiliaus suvirinimo veržlės su 1A tipuT stiliaus suvirinimo veržlės su 1A tipu
        • T stiliaus suvirinimo veržlės su 1A tipuT stiliaus suvirinimo veržlės su 1A tipu

        T stiliaus suvirinimo veržlės su 1A tipu

        T stiliaus 1A tipo suvirinimo veržlės yra specialiai sukurtos metalams suvirinti ir atitinka 1A specifikaciją, todėl užtikrina tvirtą prigludimą. Tinka metaliniams rėmams, atramoms ar mechaninei įrangai, T formos konstrukcija padeda sutaupyti vietos. Xiaoguo® gamyklos sandėlyje yra daug prekių. Taip pat galime pritaikyti ir pateikti gaminius, atitinkančius konkrečius poreikius.
        Modelis:JIS B1196-3.1-2001

        Siųsti užklausą

        Prekės aprašymas

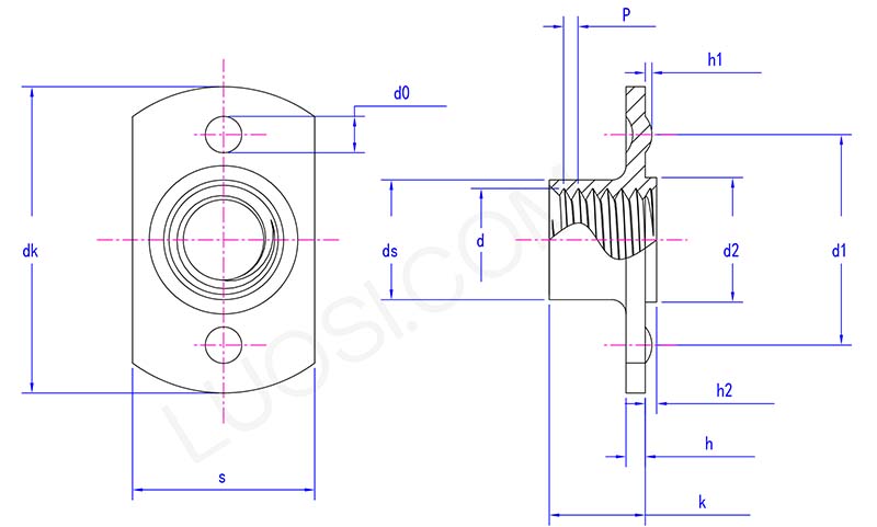
        T tipo 1A tipo suvirinimo veržlės yra panašios į raidę "T", o srieginė cilindrinė dalis yra apačioje. Ant flanšo yra keletas nedidelių iškyšų, kurios yra specialiai skirtos suvirinimui. Įprastos sriegio specifikacijos svyruoja nuo M4 iki M12.

        Produkto parametrai

        T style weld nuts with type 1A parameter

        Pirm
        M4 M5 M6 M8 M10 M12
        P
        0.7 0.8 1 1|1,25 1,25|1,5 1,25|1,75
        dk maks
        20.5 20.5 23.7 23.7 31 33.2
        dk min
        19.5 19.5 22.3 22.3 29 30.8
        s maks
        12.25 12.25 14.3 14.3 19.4 21.5
        s min
        11.75 11.75 13.7 13.7 18.6 20.5
        ds maks
        5.9 6.7 8.3 10.2 13.2 15.2
        ds min
        5.4 6.2 7.8 9.5 12.5 14.5
        k maks
        5.9 6.9 7.5 9 10.6 11.8
        k min
        5.1 6.1 6.5 8 9.4 10.2
        h maks
        1.4 1.4 1.85 1.85 2.3 2.3
        val min
        1 1 1.35 1.35 1.7 1.7
        d2 maks
        6.9 6.9 8.9 10.9 12.9 14.9
        d2 min
        6.7
        6.7
        8.7
        10.7
        12.7
        14.7
        h2 maks
        0.8 0.8
        0.8
        0.8
        1.2 1.2
        h2 min
        0.6 0.6
        0.6
        0.6
        1 1
        d0 maks
        3.25 3.25
        3.25
        3.25
        4.05 4.05
        d0 min
        2.75 2.75
        2.75
        2.75
        3.55 3.55
        h1 maks
        0.6 0.6
        0.6
        0.6
        0.7 0.7
        h1 min
        0.4 0.4
        0.4
        0.4
        0.5
        0.5
        d1 maks
        15.2 15.2
        17.25 17.25 22.3 24.3
        d1 min
        14.8 14.8 16.75 16.75 21.7 23.7

        Produkto savybės ir montavimas

        T stiliaus 1A tipo suvirinimo veržlės turi išskirtinę T formos struktūrą. Flanšas gali padidinti sąlyčio plotą su metaline plokšte, paskirstyti slėgį ir padaryti suvirinimą saugesnį. Suvirinimo iškyšų dydis ir aukštis ant flanšo yra vienodi, o kaitinimas suvirinimo proceso metu yra vienodas. Jo sriegio tikslumas yra didelis. Kai varžtas yra įsuktas, jis jaučiasi labai sklandžiai, be jokio strigimo ar atsipalaidavimo.

        T style weld nuts with type 1A

        1A T tipo suvirinimo veržlės pavadintos dėl savo formos: šešiakampis veržlės korpusas yra ekscentriškai sumontuotas ant stačiakampės pagrindo plokštės (flanšo). 1A tipas rodo, kad jis skirtas lankiniam suvirinimui (MIG arba TIG) aplink flanšo kraštą. „T“ formos konstrukcija leidžia išdėstyti sriegines skylutes norimoje vietoje, net šalia krašto, kur negalima sumontuoti centrinės veržlės, ir tai galima lengvai pasiekti.

        T tipo 1A tipo suvirinimo veržlių montavimas reiškia, kad suvirinimas atliekamas išilgai stačiakampio flanšo krašto. 1A tipo veržlės pagrindas yra plokščias ir neturi skylių ar išsikišimų. Galite naudoti MIG arba TIG, kad sukurtumėte ištisinius suvirinimo rutuliukus išilgai flanšo krašto. Geras bendras suliejimas yra labai svarbus, nes tai yra vienintelis būdas pritvirtinti flanšą. Prieš tai kruopščiai nuvalykite metalą.

        1A T tipo suvirinimo veržlės yra brangesnės nei paprastoskvadratiniai riešutai. Turėsite sumokėti už flanšo apdirbimo formą ir papildomas medžiagas. Jie taip pat užtrunka ilgiau, kol jie tinkamai suvirinami aplink flanšą. Ypač kai sriegio padėtį reikia pakeisti, naudokite juos; kitu atveju standartiniai riešutai gali būti pigesni.

        Hot Tags: T stiliaus suvirinimo veržlės su 1A tipu, Kinija, gamintojas, tiekėjas, gamykla
        Susijusi kategorija
        Siųsti užklausą
        Nedvejodami pateikite savo užklausą žemiau esančioje formoje. Mes jums atsakysime per 24 valandas.
        X
        Naudojame slapukus siekdami pasiūlyti geresnę naršymo patirtį, analizuoti svetainės srautą ir suasmeninti turinį. Naudodamiesi šia svetaine sutinkate su mūsų slapukų naudojimu. Privatumo politika
        Atmesti Priimti