Šios JT kniedytos PCB plokštės smeigės paprastai yra pagamintos iš gerų plieno lydinių, tokių kaip mažai anglies dioksido išskiriantis arba nerūdijantis plienas arba aliuminis. Jie turi tvirtą mechaninį stiprumą ir ilgai laikosi.
Plieniniai pasižymi didžiausiu tempimo ir šlyties stiprumu. Kita vertus, aliumininiai puikiai praleidžia elektrą ir yra lengvi.
Šioms smeigėms pasirinktas metalas reiškia, kad jos gali atlaikyti dideles mechanines apkrovas, įtempius, atsirandančius dėl šildymo ir vėsinimo ciklų, ir išliks tvirtos visą gaminio naudojimo laiką.
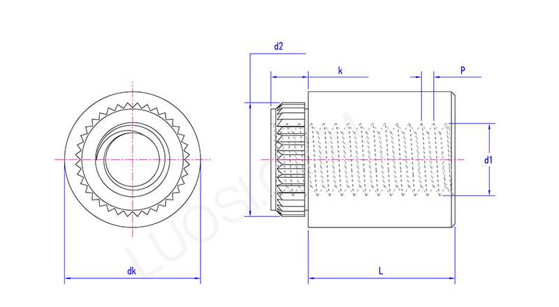
JT kniedyta PCB plokštės smeigė yra nuolatinis ir labai tvirtas tvirtinimo elementas, naudojamas patikimam išoriniam srieginiam tvirtinimo taškui ant spausdintinių plokščių (PCB). Čia „UN“ paprastai reiškia „vienodą nacionalinį standartą“, nurodant standartizuotą sriegio tipą, kurį jis turi (pvz., UNC arba UNF), kuris užtikrina jo suderinamumą su įvairiomis standartinėmis veržlėmis.
Diegimo procesas yra greitas ir efektyvus. Įkiškite kaištį į iš anksto išgręžtą skylę PCB plokštėje. Tada naudokite specialų kniedijimo įrankį, kad deformuotumėte plokščią smeigės galą, kad jis išsiplėstų į išorę ir tvirtai sukibtų tarp kniedės galvutės ir smeigės peties arba flanšo, taip suformuojant tvirtą ir vibracijai atsparią jungtį be suvirinimo.
Šis metodas ypač tinka tais atvejais, kai reikia atlaikyti didelį mechaninį įtempį, atlikti keletą prijungimo operacijų arba kai suvirinimo šiluma gali pažeisti jautrius komponentus.
Šios JT kniedytos PCB plokštės smeigės įdedamos šaltojo formavimo arba kniedijimo būdu.
Kaištį įkiškite per iš anksto išgręžtą skylę PCB. Tada specialus kniedijimo įrankis sulenkia smeigės kotą prie po lenta esančio štampelio, sukurdamas nuolatinį, platėjantį užraktą, kuris jį laiko.
Šalto apdorojimo metodas generuoja mažiau šilumos ir nepažeis PCB laminato ar grandinės. Teisingai sumontuotos smeigės užtikrina tvirtą ir vibracijai atsparią fiksaciją, nepažeidžiant plokštės struktūros.

| Turgus | Pajamos (ankstesni metai) | Bendros pajamos (%) |
| Šiaurės Amerika | Konfidencialu | 20 |
| Pietų Amerika | Konfidencialu | 4 |
| Rytų Europa | Konfidencialu | 24 |
| Pietryčių Azija | Konfidencialu | 2 |
| Afrika | Konfidencialu | 2 |
| Okeanija | Konfidencialu | 1 |
| Vidurio Rytai | Konfidencialu | 4 |
| Rytų Azija | Konfidencialu | 13 |
| Vakarų Europa | Konfidencialu | 18 |
| Centrinė Amerika | Konfidencialu | 6 |
| Šiaurės Europa | Konfidencialu | 2 |
| Pietų Europa | Konfidencialu | 1 |
| Pietų Azija | Konfidencialu | 4 |
| Vidaus rinka | Konfidencialu | 5 |