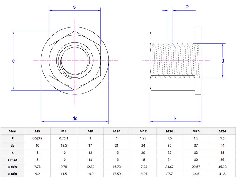
Šešiakampis riešutas su apykakleyra standartinės šešiakampės riešutai. Po šešiakampio galvute yra išplėstinė cilindrinė apykaklė. Apykaklė prideda papildomo siūlų įsitraukimo ir apsaugo varžto sriegius nuo pažeidimų. Apykaklė veikia kaip įmontuota skalbimo mašina.

Šešiakampis riešutas su apykakleyra praktinės tvirtinimo detalės, kur apykaklė tęsiasi žemiau šešiakampės galvutės, suteikiant 2–3 papildomus siūlus, kad būtų saugesnis sukibimas. Standartinė šešiakampė forma gali būti naudojama su visais įprastais veržliarakčiais, o sklandus apykaklės kraštas darbuotojams lengviau montuoti. Nors įmontuota apykaklė yra šiek tiek sunkesnė už pagrindinę veržlę, ji padidina stiprumą ir pašalina atskiros skalbimo mašinos ar tarpiklio poreikį. Kai jums reikia papildomo siūlų įsitraukimo arba norite sumažinti eksponuojamus aštrius kraštus mechaniniais, konstrukcijomis, mes rekomenduojame pasirinkti mūsųšešiakampis riešutas su apykakle.

Kodėl rinktisšešiakampis riešutas su apykakle?
Apykaklė ilgiau sulaiko varžtą, sumažindama sriegių praradimo riziką esant didelėms apkrovoms. Tai taip pat gali uždengti aštrius varžto galus, todėl saugiau naudoti žaidimų aikštelėse, balduose ar įrangoje. Tiesiog reikia įdiegti veržlę, apykaklė gali atlikti dvigubą vaidmenį. Idealiai tinka aplinkai, kurioje varžto ilgio keitimas ar sriegiai reikalauja apsaugos.
Šešiakampis riešutas su apykakleyra naudojamas automobilių (pakabos sistemose, variklio laikikliuose), statyboje ir žemės ūkyje. Jie taip pat naudojami baldų surinkime, kūno rengybos įrangoje ir „pasidaryk pats“ projektuose, kur varžtai dažnai koreguojami.
Šešiakampis riešutas su apykakleTeikia papildomą siūlų saugumą. Nereikia jokių papildomų skydų ar dangčių, tai puikiai tinka „pasidaryk pats“ entuziastams ar pramonės įmonėms, kurios teikia pirmenybę efektyvumui. Jis yra šiek tiek brangesnis, tačiau taupo laiką ir sumažina naudojamų dalių skaičių.