Namai > Produktai > Riešutas > Šešiakampė veržlė > Didelio stiprumo šešiakampis veržlė
      Didelio stiprumo šešiakampis veržlė
      • Didelio stiprumo šešiakampis veržlėDidelio stiprumo šešiakampis veržlė
      • Didelio stiprumo šešiakampis veržlėDidelio stiprumo šešiakampis veržlė
      • Didelio stiprumo šešiakampis veržlėDidelio stiprumo šešiakampis veržlė

      Didelio stiprumo šešiakampis veržlė

      Didelio stiprumo šešiakampio riešutai gali būti naudojami aplinkoje, kurioje standartinių veržlių negalima naudoti. 2 tipo riešutų aukštis yra maždaug 10% didesnis nei 1. tipo. Kai perkate iš „Xiaoguo®“, mes garantuojame, kad suteiksime jums aukštos kokybės produktus, tenkinančius jūsų pritaikymo poreikius.
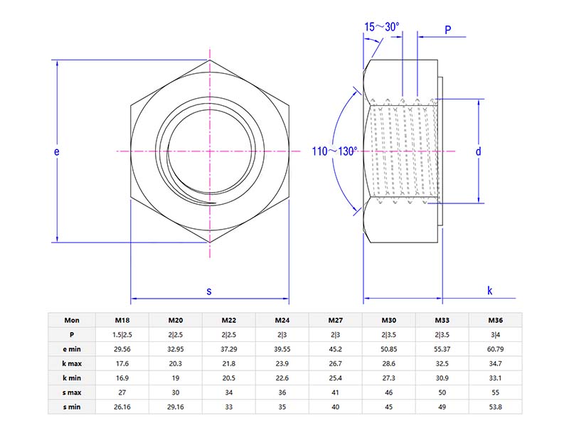
      Modelis:GB/T 33943-2017

      Siųsti užklausą

      Prekės aprašymas


      Didelio stiprumo šešiakampis veržlėyra storesnis ir stipresnis nei 1 tipo, o apkrovos talpa yra didesnė nei 1 tipo, todėl jie yra tinkami sunkioms apkrovoms arba didelio reikalavimo scenarijams. 1 tipo tipo tinkami lengvam darbui, o 2 tipo-sunkioms mašinoms ar konstrukcinėms apkrovoms. Tačiau 2 tipas yra brangesnis ir sunkesnis.

      2 tipo pavienių šmaikščių šešiakampio riešutas yra palyginti prieinama šešiakampė riešuta, kuriai nereikia terminio apdorojimo. 2 tipo riešutai dažniausiai naudojami programose, kuriose dažnai reikalingi surinkimas ir išardymas, pavyzdžiui, aviacijos ir kosmoso, automobilių, statybų, mašinų ir kitų programų, kurioms reikia palyginti stiprių jungčių.


      Informacija apie produktą ir parametrai

      Type 2 Single Chamfered Hexagon Nut


      2 tipo vienkartiniai šešiakampiai riešutai yra sumontuoti ant sunkvežimių rėmų, konvejerio juostų sistemų ar žemės ūkio įrangos. Jie gali atlaikyti didesnį sukimo momentą, neleidžiant veržlei nusirengti, o „Chamfer“ padeda greitai suderinti varžtą. Jie yra per daug sudėtingi lentynoms ar pagrindiniams baldams.

      Rinkdamiesi 2 tipo pavienį šmaikštaus šešiakampio veržlę, pirmiausia reikėtų atsižvelgti į varžto dydį. Suderinkite sriegio skersmenį (pvz., M12, ¾ ") ir žingsnį (šiurkščiavilnių siūlai arba smulkus siūlas). Chamferija pridės mažą kampą į vieną sriegio pusę. Tvirtindami venkite, venkite siūlų. Nemaišykite metrinių ir imperatoriškų sriegių, nes tai sugadins sriegius.

      The Didelio stiprumo šešiakampio veržlėGali greičiau nukreipti varžtus, taip sumažinant masinės gamybos įrangos prastovą. Karšto karštligės cinkuotos riešutai yra tinkami naudoti lauke, tačiau jų reikia vengti korozinėje aplinkoje, kur danga gali susidaryti. Nenaudokite riešutų ant išmestos įrangos.


      Type 2 Single Chamfered Hexagon Nut

      Diegimo patarimai

      ĮdiegusDidelio stiprumo šešiakampio veržlė, Chamferis nukreiptas į varžtą, kad srieginė jungtis būtų sklandesnė. Norėdami jį priveržti, naudokite sukimo momento veržliaraktį. Būkite atsargūs, kad per dideliam laikymui gali sugadinti varžtas. Rekomenduojama naudoti aukštos kokybės varžtus (su tuo pačiu stiprumo laipsniu) ir sukietėjusias poveržles kartu.

      Hot Tags: Didelio stiprumo šešiakampis riešutas, Kinija, gamintojas, tiekėjas, gamyklos tiekėjas
      Susijusi kategorija
      Siųsti užklausą
      Nedvejodami pateikite savo užklausą žemiau esančioje formoje. Mes jums atsakysime per 24 valandas.
      X
      We use cookies to offer you a better browsing experience, analyze site traffic and personalize content. By using this site, you agree to our use of cookies. Privacy Policy
      Reject Accept