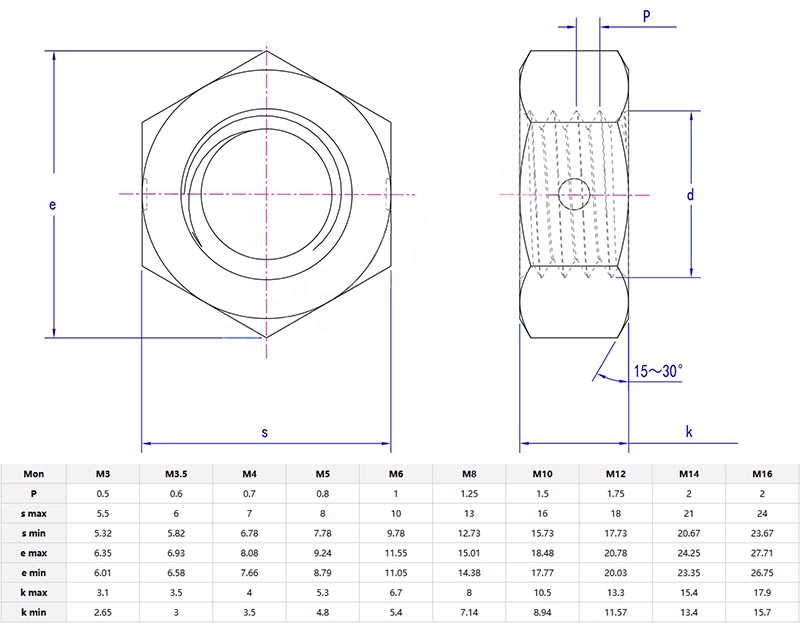
Themetrinė viso metalo šešiabriaunė veržlėnaudojamas deformuotas sriegis arba kūgio konstrukcija, kuri sukuria trintį, kad būtų išvengta atsipalaidavimo. Tokios medžiagos kaip 8 klasės plienas arba A4 nerūdijantis plienas yra atsparios rūdijimui ir gali atlaikyti didelį sukimo momentą. Šešiakampę formą galima naudoti su standartiniais metriniais įrankiais.
Themetrinė viso metalo šešiabriaunė veržlėyra tvirtas tvirtinimo elementas, pagamintas tik iš metalo (pvz., plieno arba nerūdijančio plieno), skirtas naudoti su metrinio dydžio varžtais. Jo šešiakampė forma tinka standartiniams veržliarakčiams, o visiškai metalinė konstrukcija atlaiko aukštą karštį, dideles apkrovas arba korozinę aplinką, kai sugenda plastikinės dalys.

Kodėl verta rinktis metrinę viso metalo šešiabriaunę veržlę?
Themetrinė viso metalo šešiabriaunė veržlėpastatytas kietai. Viso metalo konstrukcija atlaiko ekstremalias temperatūras (pvz., išmetimo sistemas) ir atšiaurias chemines medžiagas. Jokių nailoninių įdėklų, kurie išsilydytų ar susidėvėtų, tiesiog pasukite, ir jis išliks. Galima pakartotinai naudoti kelis kartus, jei nepažeista, ir veikia esant riebioms ar riebioms sąlygoms, kai slysta kiti riešutai.
Metrinė viso metalo šešiabriaunė veržlėdažniausiai naudojamas automobilių gamyboje (variklių blokai, turbokompresoriai), sunkiosios technikos (kranai, presai) ir naftos/dujų įrangos (vamzdžių, vožtuvų) gamyboje. Gamyklos iš jo gamina aukštos temperatūros orkaites, o aviacija naudoja karščiui atsparias plokštes. Galima naudoti ten, kur neveikia plastikinės spynos.
| Turgus |
Bendros pajamos (%) |
| Šiaurės Amerika |
15 |
| Pietų Amerika |
3 |
| Rytų Europa |
21 |
| Pietryčių Azija |
5 |
| Vidurio Rytai |
5 |
| Rytų Azija |
15 |
| Vakarų Europa |
17 |
| Centrinė Amerika |
5 |
| Šiaurės Europa |
6 |
| Pietų Azija |
8 |
Skirtingai nuo nailono įdėklų veržlių,metrinė viso metalo šešiabriaunė veržlėneištirps esant dideliam karščiui ir nesuyra nuo cheminių medžiagų. Tai kainuoja daugiau iš anksto, tačiau ilgainiui galima sutaupyti pinigų, nes sumažėja pakeitimų skaičius. Tai akivaizdi medžiaga sunkioms mašinoms, varikliams ar lauko konstrukcijoms, metalas yra patvaresnis, kai sugenda plastikas.