Namai > Produktai > Riešutas > Šešiakampė flanšo veržlė > Suvirinkite šešiakampes veržles su flanšais
        Suvirinkite šešiakampes veržles su flanšais
        • Suvirinkite šešiakampes veržles su flanšaisSuvirinkite šešiakampes veržles su flanšais
        • Suvirinkite šešiakampes veržles su flanšaisSuvirinkite šešiakampes veržles su flanšais
        • Suvirinkite šešiakampes veržles su flanšaisSuvirinkite šešiakampes veržles su flanšais
        • Suvirinkite šešiakampes veržles su flanšaisSuvirinkite šešiakampes veržles su flanšais
        • Suvirinkite šešiakampes veržles su flanšaisSuvirinkite šešiakampes veržles su flanšais

        Suvirinkite šešiakampes veržles su flanšais

        „Xiaoguo®“ daugiausia dėmesio skiria šerdies tvirtinimo detalių gaminių eksportuojantiems gamintojams. Suvirinimo šešiakampės veržlės su flanšais yra specializuotos srieginės tvirtinimo detalės su šešiakampiu korpusu ir integruotu apskritu flanšu, skirtos nuolatiniam suvirinimo tvirtinimui.
        Modelis:Q 364-2012

        Siųsti užklausą

        Prekės aprašymas

        Suvirinimo šešiakampės veržlės su flanšais yra specialios tvirtinimo detalės. Jie turi įprastą šešiakampę galvutę, kurią galite naudoti veržliarakčiu, ir platų, apskritą pagrindą (flanšą), kuris yra veržlės dalis. Šis flanšas reiškia, kad jums nereikia atskiros poveržlės. Šios veržlės daugiausia skirtos tvirtinti visam laikui. Jie turi šiek tiek pakeltą dalį, skirtą suvirinimui, arba tam tikrą pagrindo formą, kuri leidžia saugiai suvirinti tiesiai ant konstrukcijų, vamzdžių ar įrangos paviršių. Tokiu būdu gausite tvirtą, fiksuotą srieginę vietą.

        “Weld

        Privalumas:

        Pagrindinis „Suvirinimo“ šešiakampių veržlių su flanšais pranašumas yra tai, kad jie visi yra vientisi. Flanšai paskirsto suspaudimo jėgą didesniame plote, o sandarinimo efektyvumas yra tiesiogiai proporcingas jėgos vienodumui, todėl paviršius, prie kurio jie pritvirtinti, yra mažiau įtemptas. Dėl šios priežasties jos mažiau atsipalaiduoja dėl vibracijos. Dėl įtaisyto stabilumo ir nuolatinio suvirinimo šios veržlės yra tikrai patikimos. Jie puikiai veikia esant dideliam įtempimui arba svarbiems tikslams, kai labai svarbu tvirtai pritvirtinti.

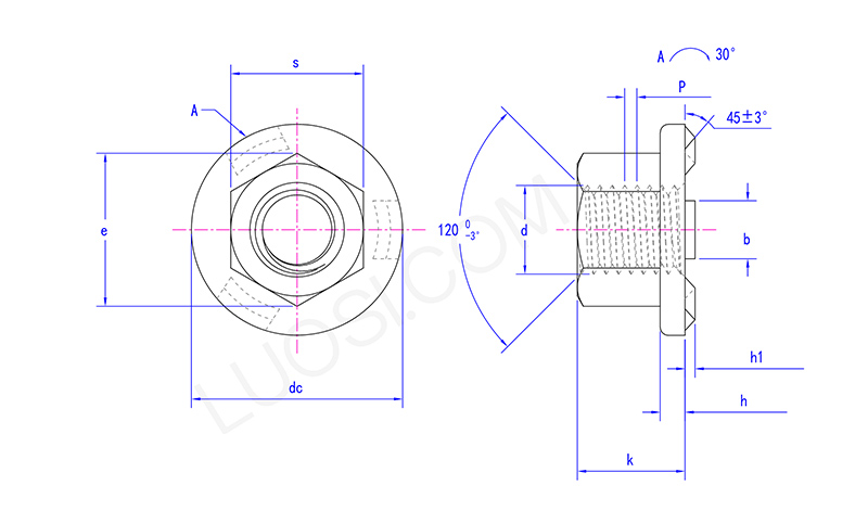
        Pirm M5 M6 M8 M10 M12 M14 M16
        P 0.8 1 1.25 1.5 1.75 2 2
        h1 maks 0.9 0.9 1.1 1.3 1.3 1.3 1.3
        h1 min 0.7 0.7 0.9 1.1 1.1 1.1 11
        dc maks 15.5 18.5 22.5 26.5 30.5 33.5 36.5
        dc min 14.5 17.5 21.5 25.5 29.5 32.5 35.5
        e min 8.2 10.6 13.6 16.9 19.4 22.4 25
        h maks 1.95 2.25 2.75 3.25 3.25 4.25 4.25
        val min 1.45 1.75 2.25 2.75 2.75 3.75 3.75
        b maks 4.1 5.1 6.1 7.1 8.1 8.1 8.1
        b min 3.9 4.9 5.9 6.9 7.9 7.9 7.9
        k maks 4.7 6.64 9.64 12.57 14.57 16.16 18.66
        k min 5 7 10 13 15 17 19.5
        s maks 8 10 13 16 18 21 24
        s min 7.64 9.64 12.57 15.57 17.57 20.16 23.16

        Suvirinimo būdas:

        Suvirinimo šešiakampės veržlės su flanšais daugiausia yra skirtos naudoti projekciniam suvirinimui (tai atsparaus suvirinimo tipas), norint jas pritvirtinti prie tvirtinimo detalių ar dalių. Kai kuriais atvejais jie taip pat gali būti naudojami lankiniam suvirinimui (pvz., MIG arba TIG). Tačiau reikia naudoti tinkamą metodą – priešingu atveju galite pažeisti flanšą arba sriegius, o tai sugadins veržlės vientisumą.


        Hot Tags: Suvirinkite šešiakampes veržles su flanšais, Kinija, gamintojas, tiekėjas, gamykla
        Susijusi kategorija
        Siųsti užklausą
        Nedvejodami pateikite savo užklausą žemiau esančioje formoje. Mes jums atsakysime per 24 valandas.
        X
        Naudojame slapukus siekdami pasiūlyti geresnę naršymo patirtį, analizuoti svetainės srautą ir suasmeninti turinį. Naudodamiesi šia svetaine sutinkate su mūsų slapukų naudojimu. Privatumo politika
        Atmesti Priimti